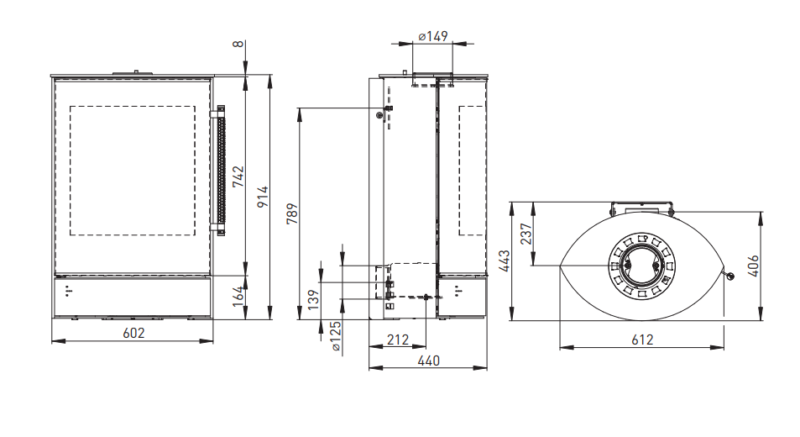
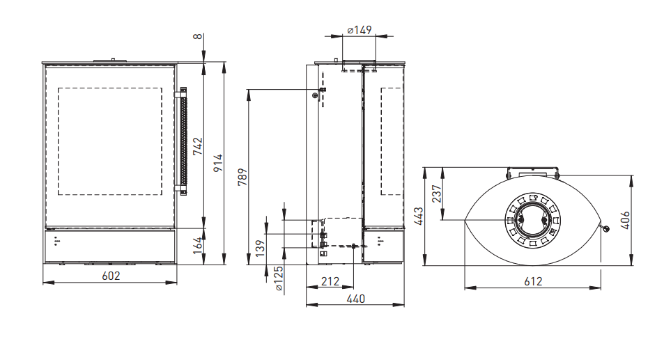
Vuelta M

Magnifique poêle en forme d’amande, vitre courbée offrant une très belle vision sur les flammes. Ce poêle, sobre et pourtant très original, est également  disponible en version suspendue.

Dimensions 61.2 L x 44.3 P x 91.4 H (cm)
Marque

Storch

7 * Flamme verte ou equivalent

Oui

Label énergie

A+

Couleur

Noir

Plage de puissance de fonctionnement (kw)

3,0-7,7

Puissance nominale (kw)

5.9

Rendement à puissance nominale

80.6